Strömtransformator CT
Sårtyp 5p10 5p20 Ct 100 150 400 5a
  • Sårtyp 5p10 5p20 Ct 100 150 400 5aSårtyp 5p10 5p20 Ct 100 150 400 5a

Sårtyp 5p10 5p20 Ct 100 150 400 5a

För att leverera högkvalitativa potentiella transformatorer och strömtransformatorer stödjer Wenzhou XiFa Electric Power Equipment Co., Ltd skräddarsydd service till kunder som att producera och leverera lindad typ 5p10 5p20 ct 100 150 400 5a. I WenZhou XiFa Electric håller det producerande teamet lager för strömtransformatorer av vanlig typ, såsom en 100/5a 10p10 0,5 strömtransformator, för att säkerställa snabb leverans. Däremot stödjer företaget skräddarsydd service för att möta olika elbehov såsom matningsströmtransformator vars skyddsklass är 5p10 eller 5p20.

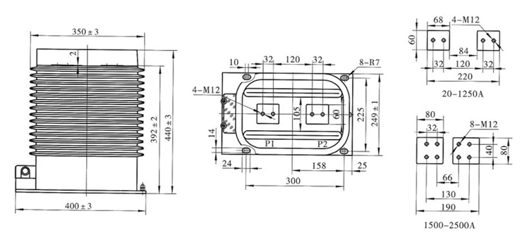
Strömtransformatorn av lindad typ är designad för tillförlitlig strömmätning och skydd i mellanspänningssystem som 10kv 20kv och 35kv. Tillgänglig i strömförhållanden på 100/5A, 150/5A och 400/5A, och med skyddsnoggrannhetsklasser på 5P10 och 5P20, ger denna lindade typ 5p10 5p20 ct 100 150 400 5a en exakt sekundär strömutmatning som är lämplig för både mätning och mätning av strömskydd.

Tillverkad med solida magnetiska kärnor och sekundära spolar, säkerställer den lindade strömtransformatorn stabil prestanda under kortslutningsförhållanden och levererar exakt strömtransformation även under transienta händelser. Dess robusta isoleringssystem, som ofta innehåller epoxi eller högkvalitativt harts, garanterar säkerhet, lång livslängd och motståndskraft mot fukt och miljöpåfrestningar.

Den lindade designen tillåter flexibel installation i ställverk, kontrollpaneler och distributionskort, för att ge ett pålitligt stöd för reläskyddssystem. Strömtransformatorn av lindad typ är idealisk för industrianläggningar, kommersiella anläggningar och distributionsnätverk där noggrann och tillförlitlig strömmätning är avgörande för både driftövervakning och skyddskontroll.

Wound Type 5p10 5p20 Ct 100 150 400 5a

Teknisk specifikation:

Typ Primär märkström (A) Noggrannhetsklass Noggrannhetsklass och nominell uteffekt cosΦ=0,8 Shory-Time termisk ström (kA/S) Märkdynamisk ström (kA)
0,2 (s) 0,5 (s) 10P10
LZZBJ9-35 20-100 0,2/0,2 0,2/0,5 0,2/5P20 0,5/5P20 0,2/0,5/5P 0,2/5P/5P 10 10 15 150I1n 375I1n
150-200 31.5 80
300-500 31,5/2 80
600-1250 15 30 20 31,5/4 80
1500-2000 20 40 30 40/4 125
2500 20 40 20 40/4 125


Typ Primär märkström (A) Noggrannhetsklass Kapacitet (VA) Shory-Time termisk ström (kA/S) Märkdynamisk ström (kA)
LZZBJ9-35 10 0,2/10P10 0,5/10P10 0,2/5P20 0,5/5P20 0,2/0,5/10P10 0,2/0,5/5P20 0,2/10P10/5P20 0,5/10P10/5P20 15/20 20/20 15/20 20/20 15/20/20 15/20/20 15/20/20 20/20/20 1,5/1 3.75
20 2/1 5
30 3/1 7.5
40 4/1 10
50 5/1 12.5
75 7,5/1 18.75
100 10/1 25
150 15/1 37.5
200 20/1 50
300 31,5/1 80
400 31,5/2 80
500 31,5/2 80
600 31,5/2 80
800 31,5/3 80
1000 31,5/3 80
1200 31,5/3 80
1500 31,5/3 80
2000 31,5/3 80

Wound Type 5p10 5p20 Ct 100 150 400 5a

Vanliga frågor om produkter:

F: Vad betyder "sårtyp 5P10" eller "5P20" i en sårtyp 5p10 5p20 ct 100 150 400 5a?

S: Termen "lindad" hänvisar till CT:er där primärledaren är en lindad lindning snarare än en samlingsskena eller stång genom kärnan. Klassen 5P10 eller 5P20 indikerar skyddsnoggrannhet: 5P betyder upp till 5 % fel vid sekundär märkström, och siffran 10 eller 20 är den maximalt tillåtna korttidsmultipeln av den märkta primärströmmen utan att överskrida det specificerade felet.

F: Hur väljer jag rätt CT-klassificering för mitt system?

S: Välj en CT baserat på ditt systems maximala belastningsström och skyddskrav. Till exempel är en 100/5A CT lämplig för kretsar med typiska strömmar runt 100 A, medan 400/5A är designad för matare med högre ström. Välj en skyddsklass (5P10 eller 5P20) beroende på reläets feldetekteringskänslighet och förväntad kortslutningsström.

F: Vilka miljöförhållanden kan sårtyp 5p10 5p20 ct 100 150 400 5a hantera?

S: Dessa strömtransformatorer av lindad typ är vanligtvis klassade för omgivningstemperaturer från –10 °C till +40 °C, med en maximal höjd av 1000 m. Husmaterial och isoleringssystem är designade för fukt-, damm- och föroreningsbeständig drift, för att säkerställa tillförlitlig skyddsprestanda i industri- och allmännyttiga miljöer.




Hot Tags: Sårtyp 5p10 5p20 Ct 100 150 400 5a, strömtransformatorleverantör, mättransformatorer i grossistledet
Skicka förfrågan
Kontaktinformation

För att få din offert ASAP

XiFa - din pålitliga leverantör av elektrisk utrustning
X
Vi använder cookies för att ge dig en bättre webbupplevelse, analysera webbplatstrafik och anpassa innehåll. Genom att använda denna sida godkänner du vår användning av cookies. Sekretesspolicy
Avvisa Acceptera